VFA Butterfly Valves
Aluminum butterfly valves for handling powders available from Ø100 to Ø400 mm. The valve can be supplied for hot materials with manual lever or pneumatic drive.
Technical SpecsTableAdditional Info
-
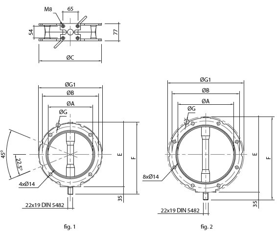
Drawing 1:

-
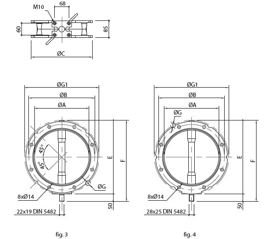
Drawing 2:

-
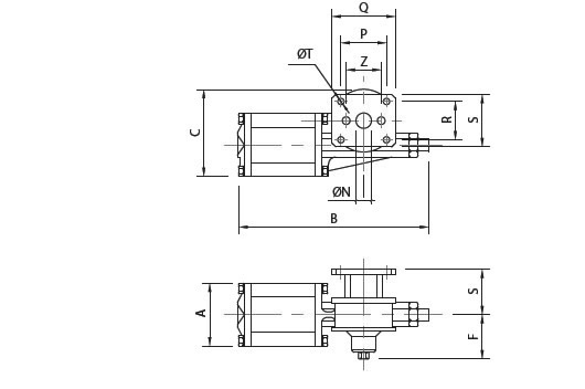
Drawing 3:

Table for Drawing 1:
| CODE | ØA | ØB | ØC | E | F | ØG | ØG1 | Kg. | Fig. |
|---|---|---|---|---|---|---|---|---|---|
| VFA-100 | 100 | 180 | 220 | 183 | 222 | 220 | 4,5 | 1 | |
| VFA-150 | 150 | 200 | 228 | 233 | 272 | 18 | 228 | 5 | 1 |
| VFA-200 | 200 | 250 | 278 | 287 | 322 | 18 | 280 | 7 | 1 |
| VFA-250 | 250 | 300 | 328 | 337 | 372 | 18 | 335 | 8 | 2 |
| VFA-300 | 300 | 350 | 378 | 387 | 422 | 22 | 385 | 11 | 2 |
Swipe to right >
Table for Drawing 2:
| CODE | ØA | ØB | ØC | E | F | ØG | ØG1 | Kg. | Fig. |
|---|---|---|---|---|---|---|---|---|---|
| VFA-350 | 350 | 400 | 420 | 439 | 489 | 22 | 445 | 20 | 3 |
| VFA-400 | 400 | 470 | 530 | 209 | 559 | 25 | 515 | 23 | 4 |
Swipe to right >
Table for Drawing 3:
| CODE | A | B | C | F | ØN (DIN 54B2) | P | Q | R | S | ØT | Z |
|---|---|---|---|---|---|---|---|---|---|---|---|
| CRP-80 | 92 | 285 | 130 | 66 | 19 x 22 | 65 | 90 | 54 | 76 | 8,5 | 50 |
| CRP-100 | 112 | 295 | 140 | 66 | 19 x 22 | 65 | 90 | 54 | 76 | 8,5 | 50 |
| CRP-125 | 137 | 430 | 196 | 89 | 25 x 28 | 68 | 106 | 60 | 84 | 10,5 | 80 |
Swipe to right >


WhatsApp us